Technische Daten: |
||
| Bauart: | direktgesteuert, schliessend mit Federkraft | |
| Werkstoffe: | Ventilkörper: | Messing vernickelt oder rostfreier Stahl 1.4301 |
| Innenteile: | rostfreier Stahl 1.4034 | |
| Ventilsitz: | rostfreier Stahl 1.4034 | |
| Grundplatte: | Alu 50 harteloxiert | |
| Gehäuse: | Aluminium lackiert | |
| Einbaulage: | beliebig | |
| Gewicht: | V2H3M-2: V2H3M-2: |
4000g 3000g |
| Einsatztemperatur: | 0°C bis +45°C bei 100%ED | |
| Medium: | Wasser, Druckluft, Öle verschiedener Viskosität, andere Medien auf Anfrage | |
| Bedienung: | mechanische Ansteuerung | |
| Einschaltdauer: | 100% | |
| Schalthäufigkeit: | 200/h | |
| Anwendung: | Hydraulik für höchste Zuverlässigkeit wie Kraftwerke, Wasserverteilungen, Anlagen mit hoher Verfügbarkeit | |
| Zulassung: | ![]() |
|
Bestellanfrage
Beschreibung [deutsch]
Description [english]
3/2 Wegventil mechanisch
Die 3/2 Weg mechanische Ventile V2H3 sind ausgelegt für höchste Zuverlässig-/und Verfügbarkeit. Die robuste Bauweise ohne elektrische Bauteile garantiert eine lange Lebensdauer. Alle Innenteile inklusive Ventilsitze sind austauschbar.
Beschreibung [deutsch]
Description [english]
| Typ | Betriebsdruck [bar] | Durchlass ø [mm] |
| V2H3-2 | 0-100 | 15 |
| V2H3-4 | 0-200 | 8 |
Hydraulikschema

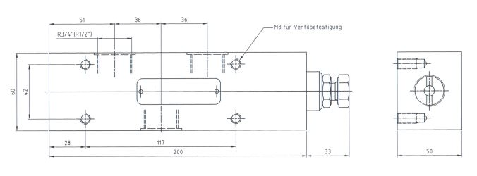
V2H3M-2 Typ 5076

V2H3M-4 Typ 5072





